- info@irenticaret.com
- (0216) 493 02 32
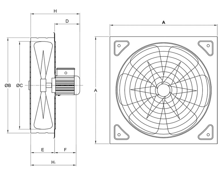
Kare Sanayi Aspiratörü

| Tip | Voltaj | Frekans | Güç | Akım | Devir | Hava Debisi | Ses | Ağırlık | Ölçüler | |||||||
| V | Hz | W | A | d/d | m3/h | dB(A) | Kg | A | B | C | D | E | F | H | H1 | |
| İRT / PSMK - 25/2 | 220 | 50 | 180 | 1,2 | 2800 | 2250 | 66 | 7,58 | 350 | 260 | 248 | 103 | 103 | 90 | 210 | 205 |
| İRT / PSTK - 25/2 | 380 | 165 | 1,1 | 2300 | 6,98 | |||||||||||
| İRT / PSMK - 25 | 220 | 50 | 120 | 0,26 | 1400 | 1400 | 53 | 7,13 | 350 | 260 | 248 | 103 | 103 | 90 | 210 | 205 |
| İRT / PSTK - 25 | 380 | 110 | 0,21 | 1400 | 7,28 | |||||||||||
| İRT / PSMK - 30/2 | 220 | 50 | 215 | 1,54 | 2800 | 4850 | 70 | 8,51 | 400 | 315 | 300 | 90 | 105 | 80 | 210 | 205 |
| İRT / PSTK - 30/2 | 380 | 135 | 0,57 | 5100 | 6,88 | |||||||||||
| İRT / PSMK - 30 | 220 | 50 | 130 | 0,34 | 1400 | 2200 | 53 | 7,78 | 400 | 315 | 300 | 90 | 105 | 80 | 210 | 205 |
| İRT / PSTK - 30 | 380 | 125 | 0,25 | 2200 | 7,13 | |||||||||||
| İRT / PSMK - 35 | 220 | 50 | 160 | 0,42 | 1400 | 3350 | 56 | 8,71 | 450 | 370 | 345 | 90 | 105 | 80 | 200 | 195 |
| İRT / PSTK - 35 | 380 | 140 | 0,31 | 3350 | 7,95 | |||||||||||
| İRT / PSMK - 40 | 220 | 50 | 200 | 0,54 | 1400 | 4550 | 58 | 10,01 | 500 | 415 | 408 | 95 | 122 | 85 | 220 | 215 |
| İRT / PSTK - 40 | 380 | 180 | 0,41 | 4800 | 10,01 | |||||||||||
| İRT / PSMK - 45 | 220 | 50 | 220 | 0,62 | 1400 | 5300 | 59 | 10,81 | 550 | 475 | 455 | 95 | 122 | 85 | 220 | 215 |
| İRT / PSTK - 45 | 380 | 210 | 0,44 | 5500 | 11,15 | |||||||||||
| İRT / PSMK - 50 | 220 | 50 | 230 | 0,74 | 1400 | 6900 | 63 | 12,51 | 600 | 525 | 495 | 110 | 130 | 100 | 278 | 230 |
| İRT / PSTK - 50 | 380 | 220 | 0,51 | 7400 | 12,71 | |||||||||||
| İRT / PSMK - 55 | 220 | 50 | 400 | 1,11 | 1400 | 7200 | 64 | 14,72 | 650 | 560 | 535 | 110 | 160 | 100 | 300 | 230 |
| İRT / PSTK - 55 | 380 | 300 | 0,81 | 7900 | 14,95 | |||||||||||
| İRT / PSMK - 60 | 220 | 50 | 560 | 1,35 | 1400 | 8500 | 66 | 17,37 | 720 | 630 | 600 | 110 | 170 | 100 | 315 | 230 |
| İRT / PSTK - 60 | 380 | 450 | 0,95 | 8700 | 17,7 | |||||||||||


















